• 繁體中文 
  • English
  • Deutsch
  • 한국어 버전
  • 日本語
    • 关于贝特

        走进贝特

      • 集团介绍
      • 企业使命
      • 专业资质
      • 品牌形象

        新闻中心

      • 行业洞察
      • 媒体热点

        联系我们

      • 联系方式
      • 渠道商查询
      • 留言反馈
      • 合作伙伴登录
      • 《电路保护元件选型指南》
    • 产品中心
      • 过流保护元件
      • 过压保护元件
      • 过温保护元件
      • 复合保护器
      • 保护元件相关配件
      • OC OV Emilist Acclist OT products
      • 金属壳温度保险丝
        • 推出具有UL,VDE,CCC,PSE,TUV 认证10A、15A金属温度保险丝
    • 技术支持
      • 产品知识
      • 研发与生产
      • 资源下载
      • 客户服务
      • 认证证书
        • 公司产品分别通过UL、CCC、CQC、VDE、ASTA、PSE、CB、TUV等多项认证。
      • 过流保险丝选型原理
        • 熔断体是对电流敏感的元件,当故障电流超过熔断额定值时,熔断体会以自己的熔断来保护整个电路的不受破坏,因此如何正确地选用熔断体就显得十分重要,熔断体的选用可依据以下程序
    • 解决方案

        消费电子

      • 电源适配器
      • 投影仪
      • 液晶电视
      • 功放音响
      • 复印机
      • 更多内容 〉

        白色家电

      • 家用空调
      • 洗衣机
      • 冰箱
      • 电磁炉(感应型)
      • 电磁炉(电阻型)
      • 洗碗机
      • 散热器
      • 微波炉
      • 更多内容 〉

        通讯设备

      • 手机/移动电话
      • 蓝牙耳机
      • 固定电话
      • 无绳电话
      • CPE分离卡
      • 数字多媒体广播接收机
      • 数字用户线多通道复用器
      • DSL调制解调路由器
      • 更多内容 〉

        交通运输

      • 汽车领域
      • 摩托车
      • 照明设备

      • LED照明
      • 太阳能
      • 其它行业

      • 电源适配器
        • 此处显示的电路可承受过载、短路或电压瞬变(雷击、ESD等),并且可能需要保护元件达到规定标准或确保可靠的电路运行。 请点击绿色链接查看Betterfuse电路保护解决方案。
    • 加入贝特
      • 人才理念
      • 招聘动态
      • 职位招聘
      • 成长在贝特
      • 贝特股份网络招聘合作平台—智通人才网
        • 东莞市贝特电子科技股份有限公司的网络招聘途径有两条,第一是贝特电子的官方网站,还有就是跟智通人才网合作的网络招聘,还会用到58同城和赶集网进行招聘。
      • 贝特圆梦计划—资助员工在职学历教育
        • 为提高集团员工文化素质,资助部分在职员工完成大专及以上学历教育的梦想,由集团总公司与东莞市职业技术学院合作,拟成立校企合作大专班。

    Betterfuse贝特集团»过流保护元件»5x20mm管状保险丝

    No.522/5*20mm
    • No.522/5*20mm

    系列:5x20mm管状保险丝

    产品关键词:NO.252/5*20mm

    在线订购
    竞争对手产品对照
    经销商查找

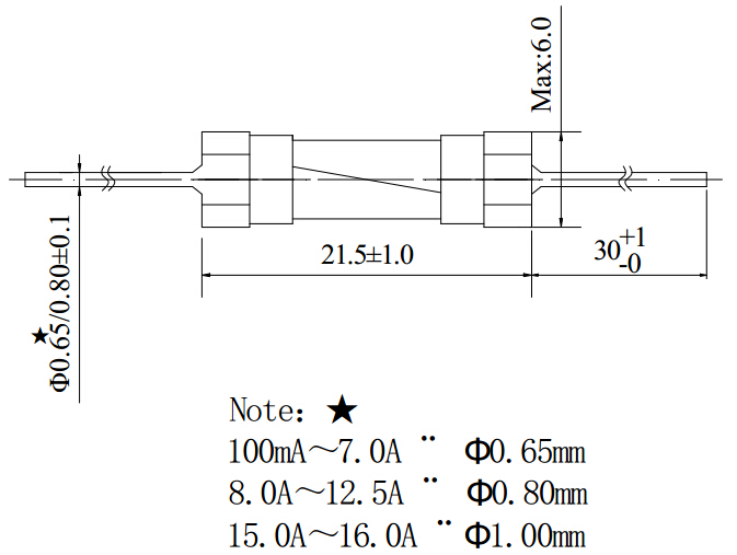
    产品尺寸图,点击浏览大图。

    规格书下载
    有问题?请联系Betterfuse支持小组

    适用于250VAC或小于250VAC电压电路,主要应用于家电产品,消费类电子,适配器,PC电源等电脑周边产品

    • 产品特性
    • 技术资源
    • 环保信息
    时间-电流特性:慢熔断(T)
    分断能力:35A or 10In@250Vac
    标准:IEC 60127-2/II
    通过的认证:cURus、CCC、PSE、VDE、CQC、TUV、KC
    物料:外壳-玻璃管, 金属帽-镀镍的黄铜, 引线帽-镀镍帽, 镀锡的铜线
    工作温度:-55℃ ~ +125℃
    可焊性:260℃≤5秒(波峰焊);350℃≤3秒(手工焊)
    焊温承载能力:260℃,10秒;280℃,5秒
    贮存条件:+10℃ ~ +60℃ ;年平均相对湿度≤75%,相对湿度达到95%最大不能超过30天
    No.522/5*20mm产品承认书(完整版)下载 

    玻璃管保险丝168项REACH 20160111.pdf

    【置顶】 【打印本页】 【返回】

    关于贝特
    • 集团介绍
    • 企业使命
    • 专业资质
    • 品牌形象
    产品中心
    • 过流保护元件
    • 过压保护元件
    • 过温保护元件
    • 复合保护器
    • 保护元件相关配件
    新闻中心
    • 行业洞察
    • 媒体热点
    • 集团刊物
    常用链接
    • 产品知识
    • 研发与生产
    • 资源下载
    • 客户服务

    • 渠道商查询
    • 联系我们 |
    • 集团邮局 |
    • 法律声明 |
    • 隐私保护 |
    • 网站地图
    • 版权所有 © 贝特股份 1998- 保留一切权利 | 粤ICP备19100981号